呼和浩特機械排煙系統末端無風速的漏風量檢測及對策
作者: 發布時間:2023-12-02 11:23:38點擊:17127

某一類高層辦公樓,建筑面積約20000㎡,地上23層,地下1層,建筑高度103.7m。地上各層內走道及不滿足自然排煙條件的房間設置機械排煙系統,合用一套排煙系統(按舊規范設計)。排煙系統設計火災發生時僅開啟一個防煙分區的常閉排煙口進行排煙,系統計算排煙量為面積更大
的單個防煙分區的排煙量,排煙風機設置于系統更高
位。在土建設計階段,大樓各房間采用自然排煙形式,,內走道排煙采用機械排煙系統,系統計算排煙量為13000m3/h。系統主風道采用土建風道,考慮到土建風道漏風及風阻相對較大,故已按設計排煙量的60%作為漏風系數選取風機。進入裝修設計階段后,隨著房間布局調整,部分內區房間需增加機械排煙,因此,機械排煙系統相應變化,系統計算排煙量增加至21000m3/h。大樓排煙系統在初次調試階段發現,在只開啟一個樓層排煙口,其它樓層排煙口關閉的工況下,其排煙口排煙量遠小于設計值,在距離排煙風機較遠的樓層(12層及以下)排煙口測得風速幾乎為零。

2、檢測結果

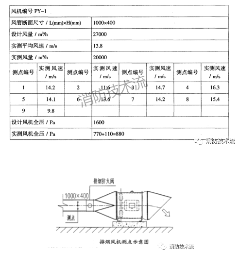
測試工況一:開啟20F排煙口,其它樓層門關,排煙系統漏風量約為20000-10300=9700m3/h。

測試工況二:開啟 18F 排煙口,其它樓層門關閉。排煙系統漏風量約為20000-6100=13900m3/h。

測試工況三:開啟 16F 排排煙口其它樓層門關閉。排煙系統漏風量約為20000-3600=16400m3/h。

由上述數據可知各層實際排煙均小于設計值;從高區至低區排煙量逐層遞減,系統漏風量逐層遞增。從12層開始,往下各樓層排煙口測得風速幾乎為零,由此可見由屋面至12層的系統漏風量已基本消耗了整個系統的排風量。1、施工質量問題,土建風道未作平整粉刷處理,豎向風道封砌不嚴。2、風機質量問題,實際各項參數與銘牌數值差距較大。1、將土建風道全部或部分改為金屬風道,對土建風道進行補漏。2、更換風量更大的排煙風機或在適當位置增加排煙風機。